Odkaz
  • Conrad
  • Můj účet

    Přihlášení / Registrace

  • Nákupní košík

  • Výprodej - podívejte se na nejlepší cenové nabídky! Výprodej - podívejte se na nejlepší cenové nabídky!
  • Nabídka

    Naše nabídka

    Your Sourcing Platform
    Akce
    Výprodej
    Novinky
    Nejprodávanější
    Marketplace
    Články
  • Značky

    Doporučené značky

    Fluke
    Phoenix Contact
    Wiha
    TOOLCRAFT
    Weller
    Lapp
  • Služby

    Služby pro firmy

    eProcurement
    Cenová poptávka
    Produkty mimo náš katalog
    Kalibrační služba
    Termínované objednávky
  • Naše produkty
  • Můj účet
  • Záložky
  • Odhlásit
Conrad
Domů
Automatizace a pneumatická technika Automatizace Spínací technika Stykače

Siemens 3RT2517-1AP00 stykač 2 rozpínací kontakty, 2 spínací kontakty 1 ks

EAN:
Označení výrobce:
Objednací číslo:
Stykač Siemens z řady 'SIRIUS', model 3RT125, s několika připojovacími svorkami a robustním černým pouzdrem.
Stykač Siemens z řady 'SIRIUS', model 3RT125, s několika připojovacími svorkami a robustním černým pouzdrem.
Rozváděč s elektronickými komponenty zapojenými vodiči vlevo, strojovna za skleněnou tabulí posetou kapkami deště vpravo.
Schéma zapojení znázorňuje elektrické komponenty a jejich vzájemné propojení. Očíslované díly s popisy vysvětlují jejich funkce a možnosti připojení.
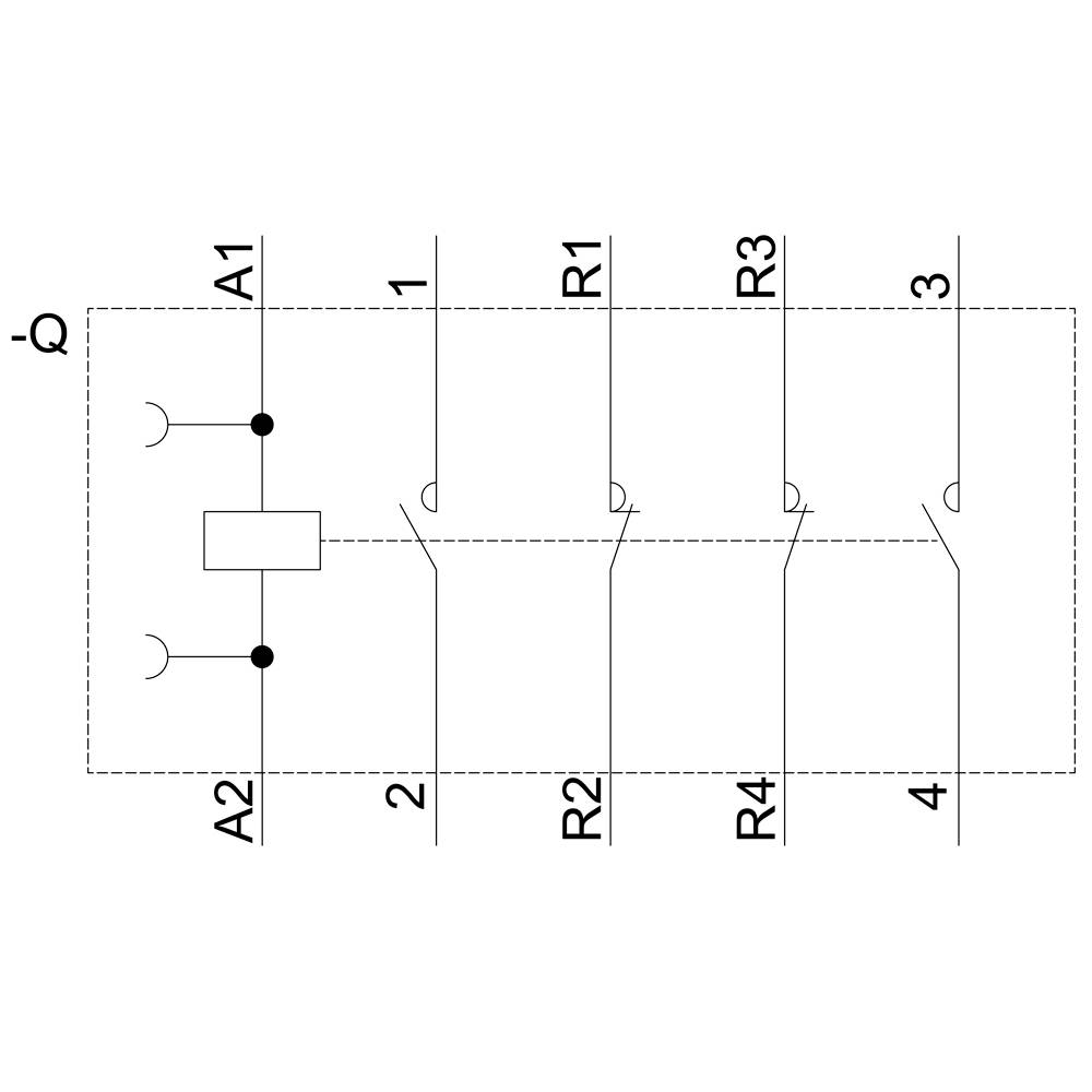
Schéma elektrického relé se čtyřmi kontakty, označenými A1, A2, R1, R2, R3 a R4; zobrazuje propojení a polohy spínačů.
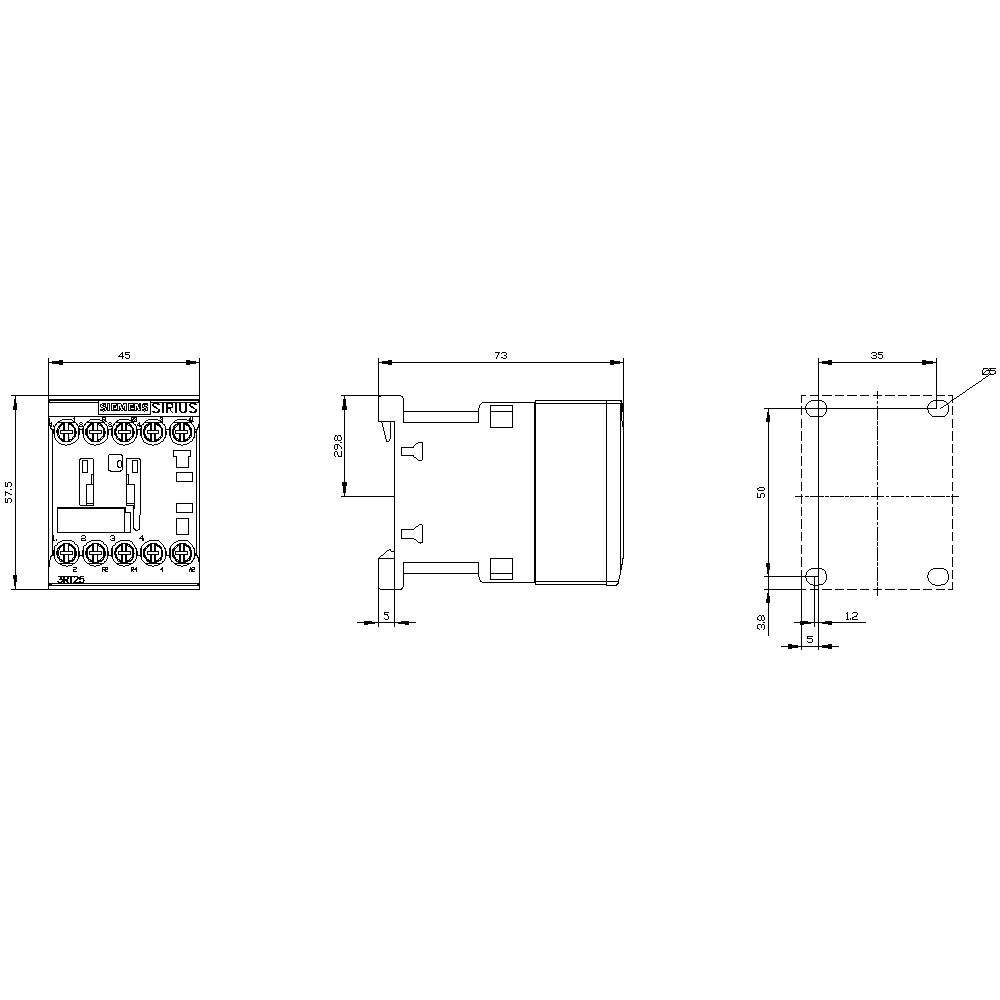
Technický výkres obdélníkového relé s různými pohledy a detailními rozměry v milimetrech.
'Diagram spínače Siemens SIRIUS 3RT25' zobrazuje zapojení svorek: R1 až R4 nahoře, A1 a A2 vpravo dole. Hlavní kontakt uprostřed.
1/6
Ilustrační obrázek
Kategorie produktu
stykač
Počet pólů
4pólový
Připojení
šroubovací
Typ
3RT2517-1AP00
Konstrukční velikost
S00
Datasheety: (PDF)
Deutsch (Deutschland)
Siemens
 

2 Ks
Prodej a doprava:
Conrad Electronic Obchodní podmínky

Počet

Celková cena (1 965,00 Kč / kus)
Kč
Už jen 2 ks skladem!
Nahlásit právní incident
  • Více než 1.000.000 produktů

  • Doprava zdarma od 1.500 Kč s DPH

  • Technická podpora

  • Termínované dodávky

  • Cenová poptávka (RFQ)

O Conradovi

O Conradovi

  • Conrad Sourcing Platform

  • Kariéra 2️⃣

  • Naše vlastní značky

  • Vulnerability Disclosure Program

  • Hodnocení obchodu

  • Marketplace

  • Informace o přístupnosti


Nápověda

Nápověda

  • Vše o dopravě zboží

  • Vše o platbě za zboží

  • Reklamace zboží

  • Vrácení zboží

  • Obchodní podmínky

  • Centrum dokumentace


Služby

Služby

  • Všechny služby

  • Kalibrační služba

  • Kabely v metráži

  • Plakáty do škol

  • Poptávkový formulář

  • E-Procurement


Doporučujeme

Doporučujeme

  • ➡️ Články

  • 🛒 Akce & Slevy

  • 🆕 Novinky

  • Kategorie značek A-Z

  • Produktové kategorie A-Z

  • Archiv katalogů

  • Newsletter


Newsletter

Prosím zadejte platnou e-mailovou adresu!

☎ Kontakty

  • velkoobchod@conrad.cz

  • +420 226 224 222

  • Po-Pá od 8:00 do 16:00 hod.

Platební metody
  • Platební karta
  • PayU
  • Platba dobírkou
  • Platba převodem na účet
Přidejte se k nám na sociálních sítích

Všechny ceny jsou bez DPH a nákladů na doručení. Přeškrtnutá cena je vždy nejnižší nabídková cena 30 dní před slevou.

Všechny ceny jsou včetně DPH a nezahrnují náklady na dopravu. Přeškrtnutá cena je vždy nejnižší nabídková cena 30 dní před slevou.

Klima týdny
*20% sleva na vybrané produkty značek Philips a Sygonix, 10% sleva na celý sortiment značky Bosch Home Comfort – s výjimkou produktů s obj. čísly: 2885941 a 3730522. Platí do 07. 06. 2026 na conrad.cz (nevztahuje se na objednávky z Marketplace). Nelze kombinovat s jinými slevovými kódy. Platí 1x na firemního zákazníka / soukromou osobu. V jednotlivých případech může dojít k omezení prodejního množství.

Wiha
*Sleva platí pouze na skladové zboží značky Wiha (stav skladu: zelená). Platnost do 31.05.2026 na conrad.cz. Nelze kombinovat s jinými slevovými kódy. Pouze 1x na firemního zákazníka / soukromou osobu. V jednotlivých případech může dojít k omezení odběrného množství.

  • Všeobecné obchodní podmínky

     

     

     

  • Ochrana osobních údajů

  • Zásady používání souborů cookies

  • Certifikát kvality ISO 9001:2015

Porovnání produktů
Záložky