Odkaz
  • Conrad
  • Můj účet

    Přihlášení / Registrace

  • Nákupní košík

  • Výprodej - podívejte se na nejlepší cenové nabídky! Výprodej - podívejte se na nejlepší cenové nabídky!
  • Nabídka

    Naše nabídka

    Your Sourcing Platform
    Akce
    Výprodej
    Novinky
    Nejprodávanější
    Marketplace
    Články
  • Značky

    Doporučené značky

    Fluke
    Phoenix Contact
    Wiha
    TOOLCRAFT
    Weller
    Lapp
  • Služby

    Služby pro firmy

    eProcurement
    Cenová poptávka
    Produkty mimo náš katalog
    Kalibrační služba
    Termínované objednávky
  • Naše produkty
  • Můj účet
  • Záložky
  • Odhlásit
Conrad
Domů
Automatizace a pneumatická technika Automatizace Spínací technika Stykače

Siemens 3RH2131-2FB40 pomocný stykač 1 ks

EAN:
Označení výrobce:
Objednací číslo:
Siemensův stykač Sirius s čísly modelů a svorkami, používaný pro elektrické ovládání motorů a spínání v průmyslových aplikacích.
Siemensův stykač Sirius s čísly modelů a svorkami, používaný pro elektrické ovládání motorů a spínání v průmyslových aplikacích.
Otevřená rozvodná skříň ukazuje početné elektrické komponenty a kabeláž v uspořádaném uspořádání pro průmyslové řízení.
Znázornění různých pomocných zařízení a příslušenství. Zobrazuje označení zařízení, jejich vlastnosti a elektrický proud pomocí barevných čar.
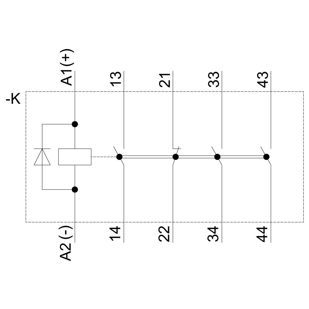
Schéma zapojení: Relé se cívkou na A1 (+) a A2 (-). Čtyři spínací kontakty na 13/14, 21/22, 33/34, 43/44. Diodová ochrana paralelně.
Technický výkres elektronického modulu s rozměry a popisy. Zobrazuje přední, boční a horní pohled s kótami.
Stykač SIRIUS 3RH21 od Siemens, zobrazující připojovací svorky nahoře a dole, určený pro řízení elektrických zátěží.
1/6
Ilustrační obrázek
Kategorie produktu
pomocný stykač
Typ
3RH2131-2FB40
Konstrukční velikost
S00
Pomocný kontakt
1 rozpínací kontakt
3 spínací kontakty
Rozsah řídicího napětí
Datasheety: (PDF)
Siemens
 

1 Ks
Prodej a doprava:
Conrad Electronic Obchodní podmínky

Počet

Celková cena (1 709,92 Kč / kus)
Kč
Nahlásit právní incident
  • Více než 1.000.000 produktů

  • Doprava zdarma od 1.500 Kč s DPH

  • Technická podpora

  • Termínované dodávky

  • Cenová poptávka (RFQ)

O Conradovi

O Conradovi

  • Conrad Sourcing Platform

  • Kariéra 2️⃣

  • Naše vlastní značky

  • Vulnerability Disclosure Program

  • Hodnocení obchodu

  • Marketplace

  • Informace o přístupnosti


Nápověda

Nápověda

  • Vše o dopravě zboží

  • Vše o platbě za zboží

  • Reklamace zboží

  • Vrácení zboží

  • Obchodní podmínky

  • Centrum dokumentace


Služby

Služby

  • Všechny služby

  • Kalibrační služba

  • Kabely v metráži

  • Plakáty do škol

  • Poptávkový formulář

  • E-Procurement


Doporučujeme

Doporučujeme

  • ➡️ Články

  • 🛒 Akce & Slevy

  • 🆕 Novinky

  • Kategorie značek A-Z

  • Produktové kategorie A-Z

  • Archiv katalogů

  • Newsletter


Newsletter

Prosím zadejte platnou e-mailovou adresu!

☎ Kontakty

  • velkoobchod@conrad.cz

  • +420 226 224 222

  • Po-Pá od 8:00 do 16:00 hod.

Platební metody
  • Platební karta
  • PayU
  • Platba dobírkou
  • Platba převodem na účet
Přidejte se k nám na sociálních sítích

Všechny ceny jsou bez DPH a nákladů na doručení. Přeškrtnutá cena je vždy nejnižší nabídková cena 30 dní před slevou.

Všechny ceny jsou včetně DPH a nezahrnují náklady na dopravu. Přeškrtnutá cena je vždy nejnižší nabídková cena 30 dní před slevou.

*Slevy platí pouze na skladové položky (zelený status dodání): 15% sleva na všechny produkty osvětlení Sygonix, 10% sleva na kompletní sortiment produktů Paulmann a Ledlenser a 10% sleva na vybrané produkty Philips. Platí do 10. května 2026 na conrad.cz (kromě objednávek na Marketplace). Nelze kombinovat s jinými slevovými kódy. Jeden na firemního/soukromého zákazníka. V jednotlivých případech mohou platit množstevní omezení.

  • Všeobecné obchodní podmínky

     

     

     

  • Ochrana osobních údajů

  • Zásady používání souborů cookies

  • Certifikát kvality ISO 9001:2015

Porovnání produktů
Záložky