Odkaz
  • Conrad
  • Můj účet

    Přihlášení / Registrace

  • Nákupní košík

  • Výprodej - podívejte se na nejlepší cenové nabídky! Výprodej - podívejte se na nejlepší cenové nabídky!
  • Nabídka

    Naše nabídka

    Your Sourcing Platform
    Akce
    Výprodej
    Novinky
    Nejprodávanější
    Marketplace
    Články
  • Značky

    Doporučené značky

    Fluke
    Phoenix Contact
    Wiha
    TOOLCRAFT
    Weller
    Lapp
  • Služby

    Služby pro firmy

    eProcurement
    Cenová poptávka
    Produkty mimo náš katalog
    Kalibrační služba
    Termínované objednávky
  • Naše produkty
  • Můj účet
  • Záložky
  • Odhlásit
Conrad
Domů
Elektromechanika Relé Polovodičová relé Polovodičová relé

Finder polovodičové relé 39.40.8.230.9024 2 A Spínací napětí (max.): 24 V/DC 1 ks

EAN:
Označení výrobce:
Objednací číslo:
Modré relé Finder, model MasterINPUT, zobrazuje technické údaje a připojení pro různá napětí a nastavení kontaktů.
Modré relé Finder, model MasterINPUT, zobrazuje technické údaje a připojení pro různá napětí a nastavení kontaktů.
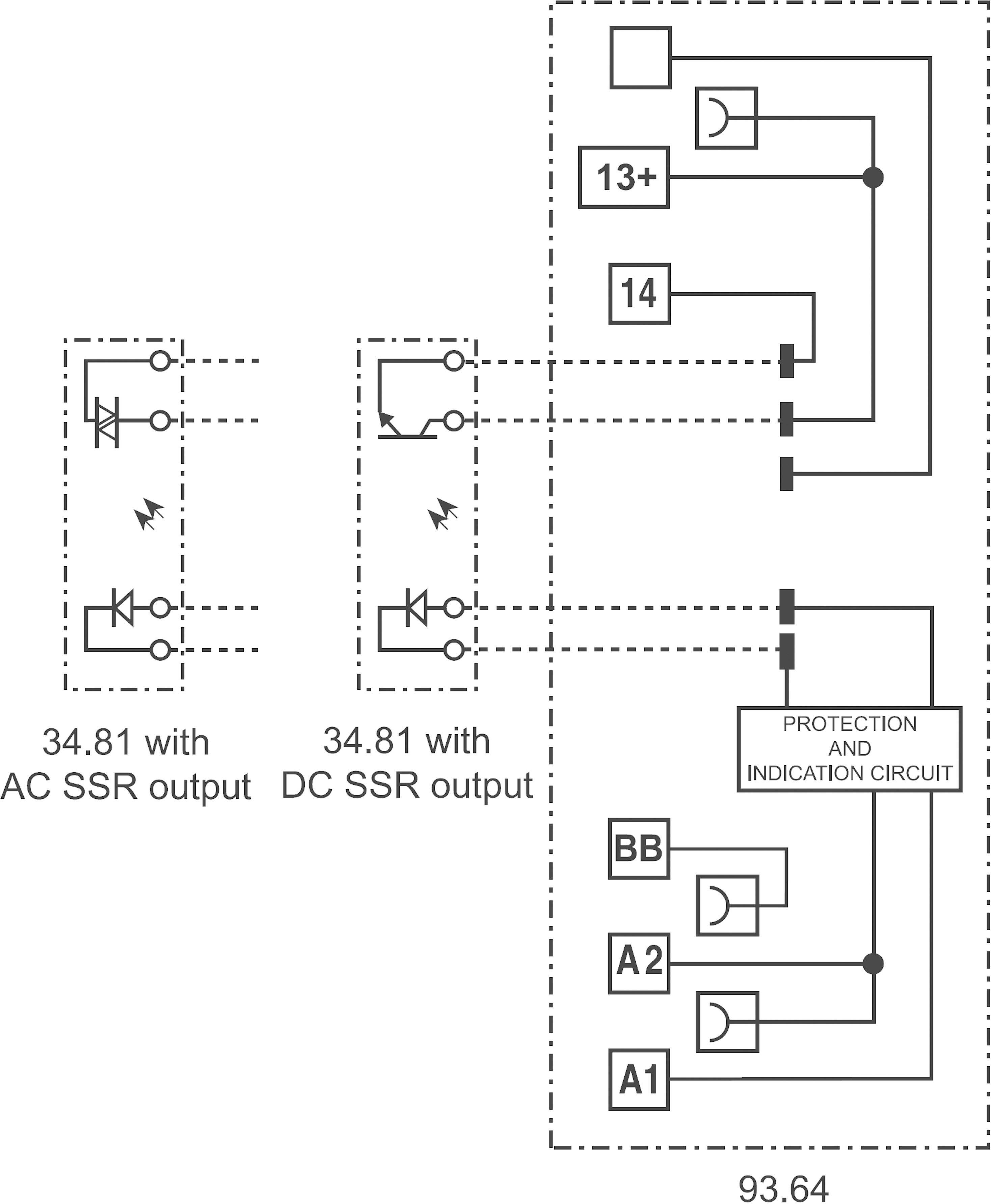
Schéma znázorňuje AC a DC SSR výstupy. Vlevo AC SSR, vpravo DC SSR s ochranným a indikačním obvodem. Zobrazeny různé symboly.
Stavební plán ukazuje půdorysy a rozměry budovy s několika místnostmi. Rozměry jsou uvedeny v centimetrech.
1/3
Ilustrační obrázek
Kategorie produktu
polovodičové relé
Řídicí napětí (max.)
230 V/AC
Spínací napětí (max.)
24 V/DC
Zatěžovací proud
2 A
Typ
39.40.8.230.9024
Datasheety: (PDF)
Finder
Brzy k dispozici


Množství (Ks)
Sleva
Cena balení (Bez DPH.)
10
-
681,82 Kč
30
4% = 29,66 Kč
652,16 Kč
Množstevní slevy se liší podle prodejce
Ušetříte 0,00 Kč

Počet

Min.: 10
Násobky: 10
Celková cena (681,82 Kč / kus)
6 818,20 Kč
Bez DPH. 
Doprava zdarma
Nahlásit právní incident
  • Více než 1.000.000 produktů

  • Doprava zdarma od 1.500 Kč s DPH

  • Technická podpora

  • Termínované dodávky

  • Cenová poptávka (RFQ)

O Conradovi

O Conradovi

  • Conrad Sourcing Platform

  • Kariéra 2️⃣

  • Naše vlastní značky

  • Vulnerability Disclosure Program

  • Hodnocení obchodu

  • Marketplace

  • Informace o přístupnosti


Nápověda

Nápověda

  • Vše o dopravě zboží

  • Vše o platbě za zboží

  • Reklamace zboží

  • Vrácení zboží

  • Obchodní podmínky

  • Centrum dokumentace


Služby

Služby

  • Všechny služby

  • Kalibrační služba

  • Kabely v metráži

  • Plakáty do škol

  • Poptávkový formulář

  • E-Procurement


Doporučujeme

Doporučujeme

  • ➡️ Články

  • 🛒 Akce & Slevy

  • 🆕 Novinky

  • Kategorie značek A-Z

  • Produktové kategorie A-Z

  • Archiv katalogů

  • Newsletter


Newsletter

Prosím zadejte platnou e-mailovou adresu!

☎ Kontakty

  • velkoobchod@conrad.cz

  • +420 226 224 222

  • Po-Pá od 8:00 do 16:00 hod.

Platební metody
  • Platební karta
  • PayU
  • Platba dobírkou
  • Platba převodem na účet
Přidejte se k nám na sociálních sítích

Všechny ceny jsou bez DPH a nákladů na doručení. Přeškrtnutá cena je vždy nejnižší nabídková cena 30 dní před slevou.

Všechny ceny jsou včetně DPH a nezahrnují náklady na dopravu. Přeškrtnutá cena je vždy nejnižší nabídková cena 30 dní před slevou.

Slevy platí pouze na vybrané kancelářské produkty, které jsou na skladě (do vyprodání zásob). Nabídka platí do 05.04.2026 na conrad.cz (s výjimkou objednávek na Marketplace). Nelze kombinovat s jinými slevovými kódy. 1x na firemního zákazníka/jednotlivce. V jednotlivých případech mohou platit množstevní omezení.

Měřicí technika
Sleva platí pouze na vybrané a ihned dostupné položky (skladem) z kategorie měřicí technika na conrad.cz (s výjimkou objednávek na Marketplace). Nelze kombinovat s jinými slevovými kódy. 1x pro firemního zákazníka/soukromou osobu. V jednotlivých případech mohou platit množstevní omezení. Nabídka platí do vyprodání zásob.

  • Všeobecné obchodní podmínky

     

     

     

  • Ochrana osobních údajů

  • Zásady používání souborů cookies

  • Certifikát kvality ISO 9001:2015

Porovnání produktů
Záložky