Odkaz
  • Conrad
  • Můj účet

    Přihlášení / Registrace

  • Nákupní košík

  • Výprodej - podívejte se na nejlepší cenové nabídky! Výprodej - podívejte se na nejlepší cenové nabídky!
  • Nabídka

    Naše nabídka

    Your Sourcing Platform
    Akce
    Výprodej
    Novinky
    Nejprodávanější
    Marketplace
    Články
  • Značky

    Doporučené značky

    Fluke
    Phoenix Contact
    Wiha
    TOOLCRAFT
    Weller
    Lapp
  • Služby

    Služby pro firmy

    eProcurement
    Cenová poptávka
    Produkty mimo náš katalog
    Kalibrační služba
    Termínované objednávky
  • Naše produkty
  • Můj účet
  • Záložky
  • Odhlásit
Conrad
Domů
Elektromechanika Relé Polovodičová relé Polovodičová relé

Finder polovodičové relé 39.10.7.024.9024 2 A Spínací napětí (max.): 24 V/DC 1 ks

EAN:
Označení výrobce:
Objednací číslo:
Modrý reléový modul Finder s nápisem 'MasterBASIC'. Obsahuje technické detaily, jako je napětí a proudové zatížení pro elektrické aplikace.
Modrý reléový modul Finder s nápisem 'MasterBASIC'. Obsahuje technické detaily, jako je napětí a proudové zatížení pro elektrické aplikace.
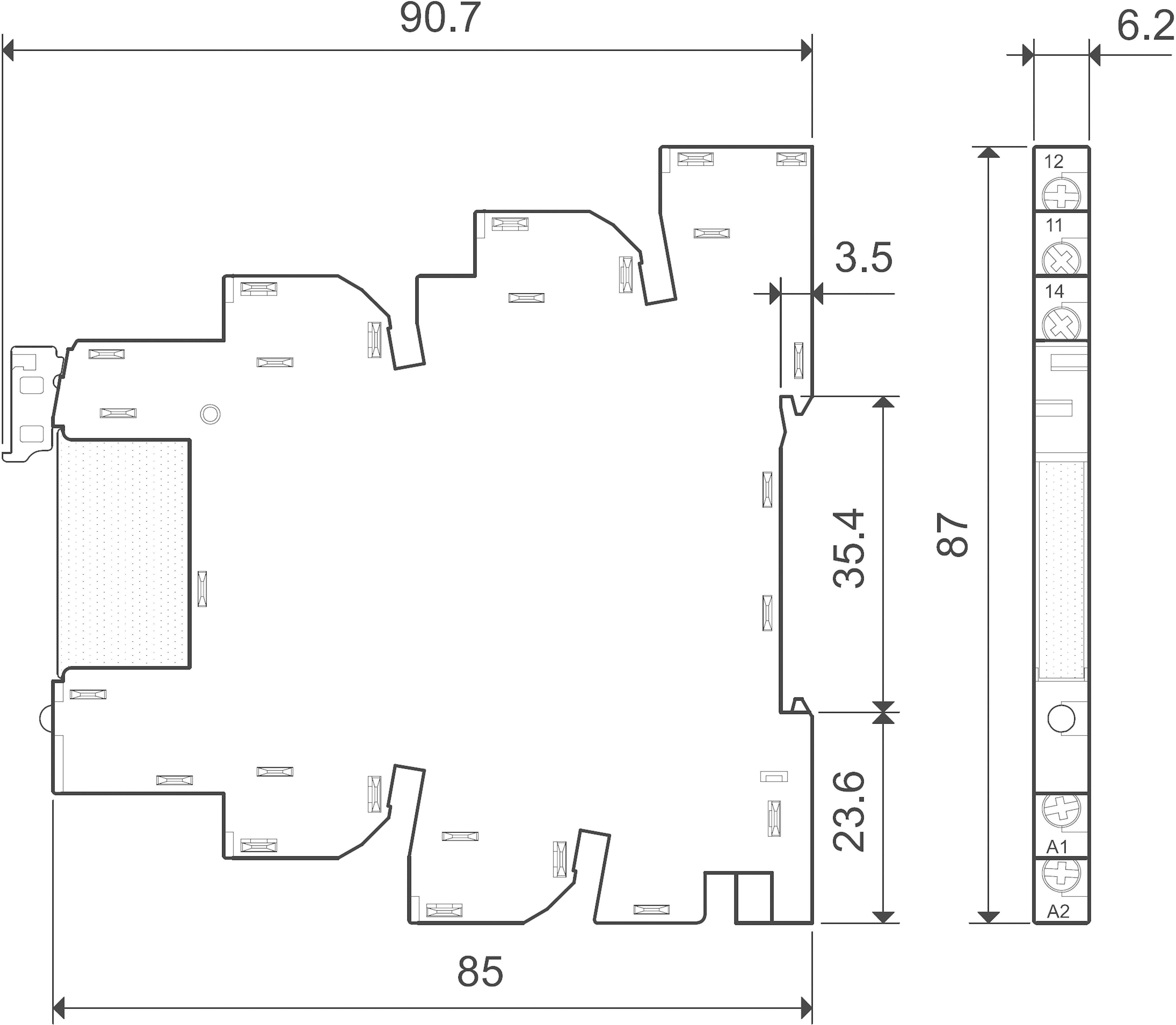
Technický výkres obdélníkového dílu s rozměry. Boční pohled ukazuje výšku 87 a šířku 6,2. Pohled zepředu ukazuje 90,7 x 85.
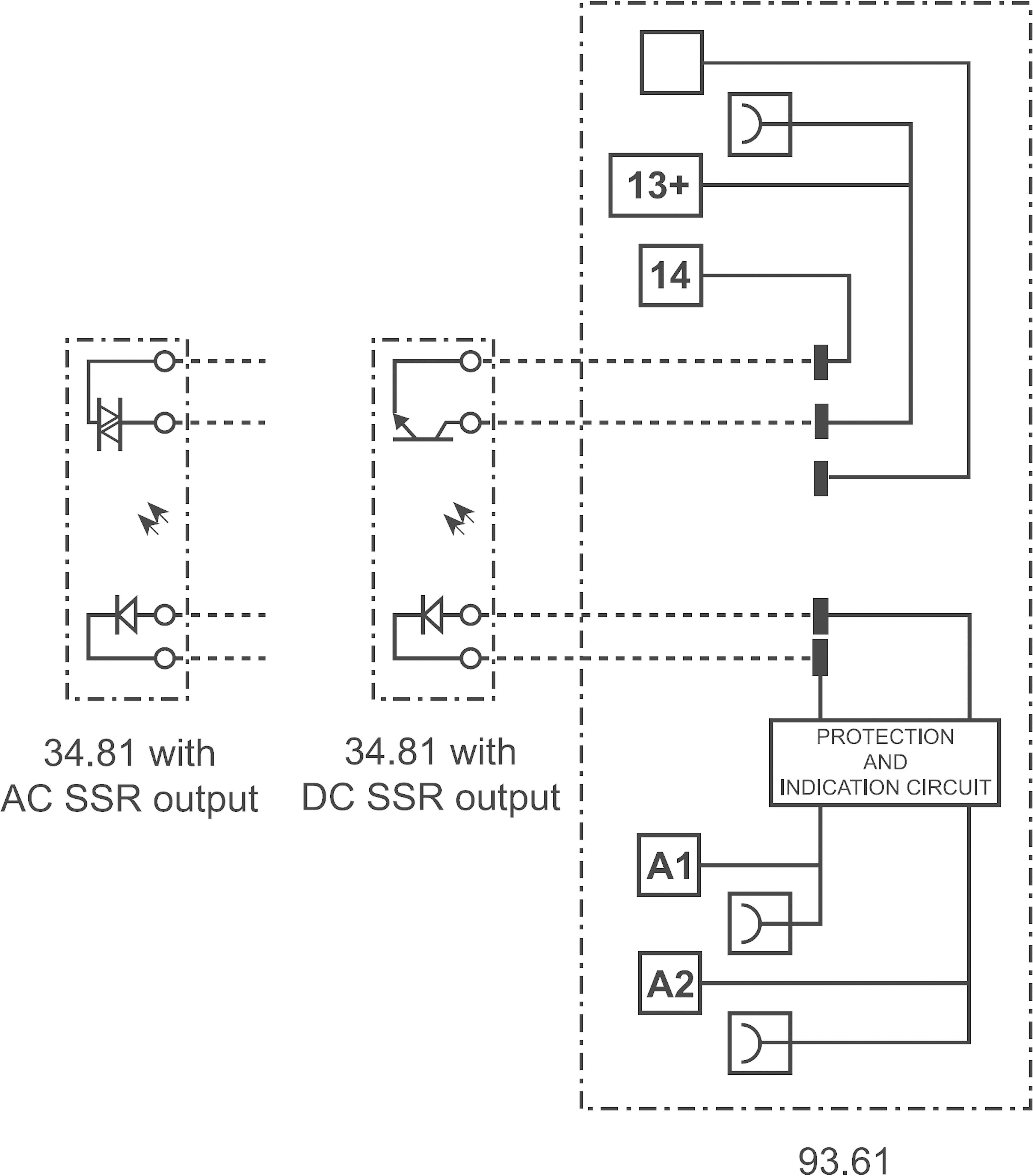
Schéma zapojení: Ukazuje ochranné a indikační zapojení s AC a DC SSR výstupy. Modelová čísla: 34.81, 93.61.
1/3
Ilustrační obrázek
Kategorie produktu
polovodičové relé
Řídicí napětí (max.)
24 V/DC
Spínací napětí (max.)
24 V/DC
Zatěžovací proud
2 A
Typ
39.10.7.024.9024
Datasheety: (PDF)
Finder
Okamžité doručení:Čt 9. 4.

27 Ks
Přesahují vaše potřeby tento rámec?

Množství (Ks)
Sleva
Cena balení (Bez DPH.)
1
-
817,36 Kč
3
4% = 35,56 Kč
781,80 Kč
Množstevní slevy se liší podle prodejce
Ušetříte 0,00 Kč

Počet

Celková cena (817,36 Kč / kus)
817,36 Kč
Bez DPH. 
Nahlásit právní incident
  • Více než 1.000.000 produktů

  • Doprava zdarma od 1.500 Kč s DPH

  • Technická podpora

  • Termínované dodávky

  • Cenová poptávka (RFQ)

O Conradovi

O Conradovi

  • Conrad Sourcing Platform

  • Kariéra 2️⃣

  • Naše vlastní značky

  • Vulnerability Disclosure Program

  • Hodnocení obchodu

  • Marketplace

  • Informace o přístupnosti


Nápověda

Nápověda

  • Vše o dopravě zboží

  • Vše o platbě za zboží

  • Reklamace zboží

  • Vrácení zboží

  • Obchodní podmínky

  • Centrum dokumentace


Služby

Služby

  • Všechny služby

  • Kalibrační služba

  • Kabely v metráži

  • Plakáty do škol

  • Poptávkový formulář

  • E-Procurement


Doporučujeme

Doporučujeme

  • ➡️ Články

  • 🛒 Akce & Slevy

  • 🆕 Novinky

  • Kategorie značek A-Z

  • Produktové kategorie A-Z

  • Archiv katalogů

  • Newsletter


Newsletter

Prosím zadejte platnou e-mailovou adresu!

☎ Kontakty

  • velkoobchod@conrad.cz

  • +420 226 224 222

  • Po-Pá od 8:00 do 16:00 hod.

Platební metody
  • Platební karta
  • PayU
  • Platba dobírkou
  • Platba převodem na účet
Přidejte se k nám na sociálních sítích

Všechny ceny jsou bez DPH a nákladů na doručení. Přeškrtnutá cena je vždy nejnižší nabídková cena 30 dní před slevou.

Všechny ceny jsou včetně DPH a nezahrnují náklady na dopravu. Přeškrtnutá cena je vždy nejnižší nabídková cena 30 dní před slevou.

Slevy platí pouze na vybrané kancelářské produkty, které jsou na skladě (do vyprodání zásob). Nabídka platí do 05.04.2026 na conrad.cz (s výjimkou objednávek na Marketplace). Nelze kombinovat s jinými slevovými kódy. 1x na firemního zákazníka/jednotlivce. V jednotlivých případech mohou platit množstevní omezení.

Měřicí technika
Sleva platí pouze na vybrané a ihned dostupné položky (skladem) z kategorie měřicí technika na conrad.cz (s výjimkou objednávek na Marketplace). Nelze kombinovat s jinými slevovými kódy. 1x pro firemního zákazníka/soukromou osobu. V jednotlivých případech mohou platit množstevní omezení. Nabídka platí do vyprodání zásob.

  • Všeobecné obchodní podmínky

     

     

     

  • Ochrana osobních údajů

  • Zásady používání souborů cookies

  • Certifikát kvality ISO 9001:2015

Porovnání produktů
Záložky